聯系方式
YB-150A/B壓力表主要做為標準表用來校驗工業用普通壓力表,壓力表也可在工藝現場測量對銅合金和合金結構鋼等材質無腐蝕性、非結晶、非凝固介質的壓力。
壓力表在標度線下設置有鏡面環(A型B型),在使用中讀數更清晰。并帶有調零裝置(B型)。
一、壓力表的結構與工作原理:
壓力表由測壓系統、傳動機構、指示裝置和外殼組成。壓力表的測壓彈性元件經特殊工藝處理,使壓力表性能穩定可靠,與高精度的傳動機構配套調試后,能確保指示精度。
工作原理:當被測介質的壓力作用于彈性元件后,使其產生彈性變形—位移,經拉桿帶動傳動機構放大,由指示裝置指示被測壓力。
二、主要技術指標:
1.測量范圍、精確度及特點:
2.使用環境條件:5~40℃,相對濕度不大于80%,且環境震動和壓力源的波動對儀表的精確讀數無影響。
3.溫度影響:使用環境溫度如偏離20±3℃(A型)或20±2℃(B型)時,則須考慮溫度附加誤差0.4%/10℃
4.重量:1kg型)、1.4kg型)。(B(A
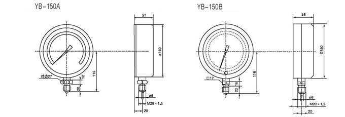
5.外形尺寸圖:
| 型號 | 彈簧管材料 | 測量范圍MPa | 精確度 | 結構特點 |
| YB-150A |
錫磷青銅 鉻釩鋼 |
0~0.1;0.16;O.25;0.4;0.6;1.0;1.6;2.5; 4;6;10;16;25;40;60;-0.1~0 |
0.4 | 鏡面 |
| YB-150B | 0.25 | 鏡面調零 |
3.溫度影響:使用環境溫度如偏離20±3℃(A型)或20±2℃(B型)時,則須考慮溫度附加誤差0.4%/10℃
4.重量:1kg型)、1.4kg型)。(B(A
5.外形尺寸圖:










![[list:title]](/uploads/allimg/180721/1-1PH1064142.jpg)