聯系方式
YEX-100/150(B)膜盒電接點壓力表采用膜盒作為測量微小壓力的敏感元件,適用于測量氣體或液體的微壓和負壓,并在壓力達到預定值時發出信號,接通控制電路,達到自動控制的報警得目的。廣泛應用于鍋爐通風、氣體管道、燃燒裝置等及其它類似設備上。
一、結構與測量原理:
膜盒電接點壓力表由測量系統(包括接頭,波紋膜盒等)、指示裝置、磁助電接點裝置、外殼、調節裝置及接線盒等組成。
膜盒電接點壓力表是基于波紋膜盒在被測介質的壓力作用下,其自由端產生相應的彈性變形,再經拔桿一齒輪傳動機構的傳動并予放大,由固定于齒輪軸上的指針逐將被測值在度盤上指示出來。當被測壓力作用于波紋膜盒時,其末端產生相應的彈性變形—位移,經傳動機構放大后,由指示裝置在度盤上指示出來。同時指針帶動電接點裝置的活動觸點與設定指針上的觸頭(上限或下限)相接觸的瞬時,致使控制系統接通或斷開電路,以達到自動控制和發信報警的目的。
二、技術指標:
1.接點裝置電氣參數及控制形式:
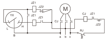
2.電氣電路連接示意圖:
3.測量范圍與精確度:
4.導(測)壓系統及外殼等主要零件的材質:
三、壓力表選型表:
| 觸頭功率 | 高工作電壓 | 大工作電流 | 控制形式 |
| 30VA(阻性負載) | 220V D.C或380V A.C | 1A | 上下限、雙上限、雙下限 |
2.電氣電路連接示意圖:
![]() |
JZ1、JZ2-繼電器及觸點 CJ-接觸器及觸點 RJ-熱繼電器 M-電機 YX-電接點壓力表 L-下限接點(綠) H-上限接點(紅) B-公共接點(黃) |
3.測量范圍與精確度:
| 型號 | 量程范圍(KPa) | 精度等級 | ||
| 正壓 | 負壓 | 正負壓 | ||
|
YEX-100 YEX-100B YEX-150 YEX-150B |
0~1.6 | -1.6~0 | -0.8~0.8 | 2.5 |
| 0~2.5 | -2.5-0 | -1.2~1.2 | ||
| 0~4 | -4~0 | -2~+2 | ||
| 0~6 | -6~0 | -3~+3 | ||
| 0~10 | -10~0 | -5~+5 | ||
| 0~16 | -16~0 | -8~+8 | ||
| 0~25 | -25~0 | -12~+12 | ||
| 0~40 | -40~0 | -20~+20 | ||
|
YEX-100/150膜盒電接點壓力表 YEX-100/150B不銹鋼膜盒電接點壓力表 |
||||
4.導(測)壓系統及外殼等主要零件的材質:
| 零件名稱 | 材料編號 |
| 接頭 | 1icr18Ni9T、Ocr18Ni12Mo2Ti、 sus316不銹鋼 |
| 膜盒 | 1icr18Ni9T、Ocr18Ni12Mo2Ti、 sus316不銹鋼 |
| 齒輪傳動機構 | 1icr18Ni9T、Ocr18Ni12Mo2Ti、 sus316不銹鋼 |
| 表殼,罩殼 | 1icr18Ni9T、Ocr18Ni12Mo2Ti、 sus316不銹鋼 |
三、壓力表選型表:
| Y | 壓力表 | ||||
|
儀表類型 (可復選) |
E | 膜盒 | |||
| N | 耐震 | ||||
| X | 電接點 | ||||
| 表盤直徑 | 60 | 直徑ф60mm | |||
| 100 | 直徑ф100mm | ||||
| 150 | 直徑ф150mm | ||||
| 儀表材質 | 無 | 普通型 | |||
| B | 全不銹鋼 | ||||
|
隔離器選擇 (隔膜壓力表) |
ML | 螺紋式 | |||
| MF | 敞開法蘭式 | ||||
| MG | 工字法蘭式 | ||||
| GL | 角形法蘭式 | ||||
| RL | 軟管連接式 | ||||
| MC | 卡盤連接衛生型 | ||||
|
附加選項 (連接器選擇) |
YL | 硬管連接器 | |||
| RL | 軟管連接器 | ||||
| GL | 角形連接器 | ||||
| SR | 散熱器 | ||||
| ZN | 阻尼器 | ||||









![[list:title]](/uploads/allimg/180720/1-1PH0210156.jpg)
