聯系方式
YE-100/150B不銹鋼膜盒壓力表采用膜盒作為測量微小壓力的敏感元件,適用于測量有腐蝕性的氣體或液體的微壓和負壓。主要零件采用1icr18Ni9T、Ocr18Ni12Mo2Ti、 sus316不銹鋼材料,廣泛應用于鍋爐通風、氣體管道、燃燒裝置等及其他類似設備上。
一、結構與測量原理:
不銹鋼膜盒壓力表由測量系統(包括接頭,波紋膜盒等),傳動機構(包括拔桿機構,齒輪傳動機構),指示部件(包括指針與度盤)和外殼(包括表殼、襯圈和表玻璃)所組成。
不銹鋼膜盒壓力表的工作原理是基于波紋膜盒在被測介質的壓力作用下,其自由端產生相應的彈性變形,再經拔桿一齒輪傳動機構的傳動并予放大,由固定于齒輪軸上的指針逐將被測值在度盤上指示出來。
二、技術指標:
1.使用環境條件:表垂直安裝,工作環境溫度-25~55℃;相對濕度不大于80%,并且周圍空氣中不含有腐蝕儀表的有害氣體。
2.溫度影響使用溫度偏離20±5℃時,其溫度附加誤差不大于0.04%/10。℃
3.測量范圍與精確度:
4.導(測)壓系統及外殼等主要零件的材質:
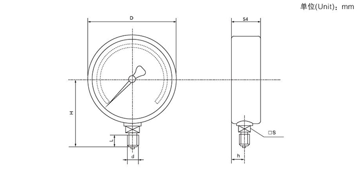
5.膜盒壓力表外形尺寸:
YE-100/150膜盒壓力表
YE-100/150B不銹鋼膜盒壓力表
YEN-100/150膜盒耐震壓力表
YEN-100/150B不銹鋼膜盒耐震壓力表
YEX-100/150膜盒電接點壓力表
YEX-100/150B不銹鋼膜盒電接點壓力表
| 型號 | 量程范圍(KPa) | 精度等級 | ||
| 正壓 | 負壓 | 正負壓 | ||
|
YE-100 YE-150 |
0~1.6 | -1.6~0 | -0.8~0.8 | 2.5 |
| 0~2.5 | -2.5-0 | -1.2~1.2 | ||
| 0~4 | -4~0 | -2~+2 | ||
| 0~6 | -6~0 | -3~+3 | ||
| 0~10 | -10~0 | -5~+5 | ||
| 0~16 | -16~0 | -8~+8 | ||
| 0~25 | -25~0 | -12~+12 | ||
| 0~40 | -40~0 | -20~+20 | ||
| 零件名稱 | 材料編號 |
| 接頭 | 黃銅Hpb59-1 |
| 膜盒 | 錫青銅QSn6.5-0.1 |
| 齒輪傳動機構 | 銅Hpb59-1 |
| 表殼,罩殼 | 冷軋鋼板20 |

| 型 號 | D | H | L | d | h | 口S |
| YE-100 | Φ100 | 90 | 20 | M20*1.5 | 17 | 口22 |
| YE-150 | Φ150 | 118 | 20 | M20*1.5 | 17 | 口22 |

YE-100/150B不銹鋼膜盒壓力表
YEN-100/150膜盒耐震壓力表
YEN-100/150B不銹鋼膜盒耐震壓力表
YEX-100/150膜盒電接點壓力表
YEX-100/150B不銹鋼膜盒電接點壓力表









![[list:title]](/uploads/allimg/180720/1-1PH0205006.jpg)